
Series TWG is non-conductive linear flat roll, made by stainless steel of high quality and are installed under the conveyer belt, and the installation position is about 1/6L in front of the center of the separator’s magnet system (L refers to length in separator’s magnet system), about 50~150 mm higher than the flat supporting roll at the bottom of the belt conveyer. They are combined with hanging type separator. When the material passes through the non-magnetic flat supporting roll, it stays in a loose state and thus the iron among it appears, in this way the result of iron-removing got improved largely.
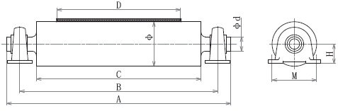
Overall Dimension Drawing

Model Selection Table

Note: In order to improve the result of iron removing, you are advised to use non-magnetic flat supporting roll instead of non-magnetic groove type rolls.



