
This series uses bridge type commutating mode. When the capacity ≤ 6.2 KW, we supply power with single-phase; when > 6.2 KW, three-phase. You can control the operation by pushing the buttons on the cabinet gate. An operation box can also be supplied to meet your requirement. Series SSTM(Q) -□D-□ shall be combined with series RCDB, RCDY RCDE which is of continuous duty system without motor trolley and series ML1 ( electromagnetic wheel ); series SSTM(Q) -□D1-□ with series RCDD; series SSTM(Q) -□D2-□ with series RCDB, RCDY, RCDE which have motor trolley (left & right move manually); series SSTM(Q) -□S-□ with series RCDB, RCDY and RCDE which ask for timing iron-discharging; series SSTM(Q) -□T-□ with series RCDB which have metal detectors. The function S and T stand for can be combined with that D1 stands for.

Model Designation


Main Technical Data

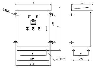
Note: Usually the dimensions of common indoors protective type are as the same as those of outdoors type; So is the indoors protective type with commutating transformer and that of outdoors type except extra 50 mm length front & back at the top of cabinet cover.

Note: 1. The values in the column of rated output power stand for: output power of electric control unit / driving motor power of separator.
2. Series SSTQ1-25D1- C (commutating transformer) shall be enclosed additionally.




